±ØÍþ¹Ù·½Ê×Ò³¹ÙÍø

CW1013 µ¥½Ú﮵ç±£»£»£»£»£»£»£» £»¤IC

CW1013ϵÁÐÊÇÒ»¿î¸ß¾«¶Èµ¥½Úï®µç³Ø±£»£»£»£»£»£»£» £»¤Ð¾Æ¬ £¬ £¬£¬£¬ £¬£¬ÄÚÖø߾«¶Èµçѹ¼ì²âµç·ºÍÑÓʱµç· £¬ £¬£¬£¬ £¬£¬Í¨¹ý¼à¿Øµç³ØµÄµçѹºÍµçÁ÷ £¬ £¬£¬£¬ £¬£¬ÊµÏÖ¶Ô¹ý³äµç¡¢¹ý·Åµç¡¢³äµç¹ýÁ÷¡¢·Åµç¹ýÁ÷ºÍ¶Ì·µÈ³¡¾°µÄ±£»£»£»£»£»£»£» £»¤¡£¡£¡£¡£¡£¡£ ¡£¡£

CW1013ϵÁÐÓÈÆäÊÊÓÃÓÚÖÇÄÜÊÖ»úÇå¾²°åµçÄÔµÈ66W»ò100W´óµçÁ÷¿ì³äÓ¦Óᣡ£¡£¡£¡£¡£ ¡£¡£

CW1013ϵÁÐоƬ֧³ÖÒµÄÚÁìÏȵġÀ15mV¹ý³äµç¼ì²âµçѹ¾«¶È £¬ £¬£¬£¬ £¬£¬¿É×î´ó»¯µç³ØÈÝÁ¿µÄʹÓÃÂÊ¡£¡£¡£¡£¡£¡£ ¡£¡£Í¨¹ý¼à²âÍⲿ¼ìÁ÷µç×è(¿ÉµÍÖÁ0.75mOhm) £¬ £¬£¬£¬ £¬£¬¿ÉʵÏÖ¸ü¸ß¾«¶ÈµÄ³ä·Åµç¹ýÁ÷¼ì²â²¢ÏÔ×ÅïÔÌ­´óµçÁ÷³äµç´øÀ´µÄÏûºÄºÍ·¢ÈÈÎÊÌâ¡£¡£¡£¡£¡£¡£ ¡£¡£



¹¦Ð§ÌØÕ÷

? ¹ý³äµç¼ì²âµçѹ

      ?ãÐÖµ¹æÄ£4.225V~4.600V £¬ £¬£¬£¬ £¬£¬¡À15mV¾«¶È

? ¹ý·Åµç¼ì²âµçѹ

      ? ãÐÖµ¹æÄ£2.000V~3.500V £¬ £¬£¬£¬ £¬£¬¡À40mV¾«¶È

? ¸ß¾«¶È³ä·Åµç¹ýµçÁ÷¼ì²â

      ? ·Åµç¹ýÁ÷¼ì²â1 £¬ £¬£¬£¬ £¬£¬¾«¶È¡À1.0mV

      ? ·Åµç¹ýÁ÷¼ì²â2 £¬ £¬£¬£¬ £¬£¬¾«¶È¡À1.0mV

      ? ¸ºÔضÌ·¼ì²â £¬ £¬£¬£¬ £¬£¬¾«¶È¡À5.0mV

      ? ³äµç¹ýÁ÷¼ì²â £¬ £¬£¬£¬ £¬£¬¾«¶È¡À1.0mV

? ÄÚÖÃËùÓб£»£»£»£»£»£»£» £»¤¹¦Ð§ÑÓʱ

? ¸ßÄÍѹ£ºVMºÍCO¶Ë×Ó28V×î´ó¶î¶¨Öµ

? 0Vµç³Ø³äµçµÄ¹¦Ð§£ºÕ¥È¡»òÔÊÐí

? ¿ÉÑ¡·Åµç¹ýÁ÷״̬µÄ½Ó´¥Ìõ¼þ£º¶Ï¿ª¸ºÔØ¡¢½Ó³äµçÆ÷

? µÍºÄµçÁ÷£ºÊÂÇé״̬2.28uA(25¡ãC)

? ·â×°ÐÎʽ£ºDFN-6(1.57mmx1.90mmx0.45mm)



Ó¦ÓÃÁìÓò

? ï®Àë×Óµç³Ø°ü

? ﮾ۺÏÎïµç³Ø°ü




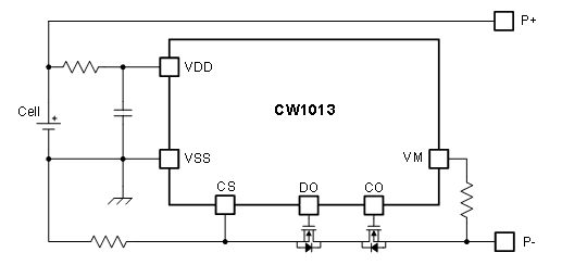
µä·¶Ó¦Óõç·


Öйú¡¤±ØÍþ(bw¡¤Î÷ººÄ·Áª)ÓÐÏÞ¹«Ë¾-Official website








¡¾ÍøÕ¾µØÍ¼¡¿¡¾sitemap¡¿