±ØÍþ¹Ù·½Ê×Ò³¹ÙÍø

CW1252B ´øÎ¶ȱ£»£»£»£»£»¤µÄ5½Ú¶þ¼¶±£»£»£»£»£»¤Ð¾Æ¬

CW1252ÊÇÒ»¿î5´®¶þ¼¶±£»£»£»£»£»¤IC£¬£¬£¬£¬£¬£¬Ö§³Ö¹ý³ä¡¢¹ý·Å¡¢Î¶ȱ£»£»£»£»£»¤¡£¡£¡£¡£¡£ ¡£


¹¦Ð§ÌØÕ÷

? ¹ý³äµç±£»£»£»£»£»¤    

     ? ãÐÖµ¹æÄ£ 2.8V¡¢3.65V~3.95V¡¢4.175V~4.500V£¬£¬£¬£¬£¬£¬25mV²½½ø£¬£¬£¬£¬£¬£¬¡À25mV¾«¶È    

? ¹ý·Åµç±£»£»£»£»£»¤    

     ? ãÐÖµ¹æÄ£ 1.2V¡¢2.100V~3.000V£¬£¬£¬£¬£¬£¬100mV²½½ø£¬£¬£¬£¬£¬£¬¡À30mV¾«¶È    

? ζȼì²â¹¦Ð§    

     ? ³äµçÆéá«Î±£»£»£»£»£»¤£¬£¬£¬£¬£¬£¬±£»£»£»£»£»¤Î¶ÈÍⲿ¿ÉÉè    

     ? ·Åµç¸ßα£»£»£»£»£»¤£¬£¬£¬£¬£¬£¬±£»£»£»£»£»¤Î¶ÈÍⲿ¿ÉÉè    

? µÍ¹¦ºÄÉè¼Æ    

     ? ÊÂÇé״̬ 4¦ÌA (25¡ãC)    

     ? ÐÝÃß״̬ 2.5¦ÌA  (25¡ãC)    

? ·â×°ÐÎʽ£ºMSOP10    


Ó¦ÓÃÁìÓò

? µç¶¯¹¤¾ß    

? µç¶¯×ÔÐгµ    

? ºó±¸µçÔ´    

? ï®Àë×Ó¼°ï®¾ÛºÏÎïµç³Ø°ü    


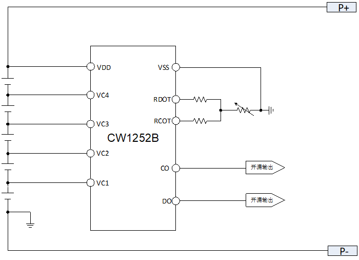
µä·¶Ó¦Óõç·


CW1252B ´øÎ¶ȱ£»£»£»£»£»¤µÄ5½Ú¶þ¼¶±£»£»£»£»£»¤Ð¾Æ¬


¡¾ÍøÕ¾µØÍ¼¡¿¡¾sitemap¡¿